クレーン・デリック運転士試験(ク) の 10門
第1問
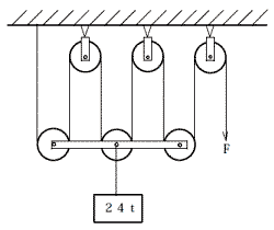
図のように、質量4tの荷を2本の玉掛け用ワイヤロープを用いてつり角度90°でつるとき、1本のワイヤロープにかかる張力の値に最も近いものは、1~5のうちどれか。ただし、重力の加速度は9.8m/s
2
とし、ワイヤロープの質量は考えないものとする。
16kN
20kN
24kN
28kN
32kN
クレーン・デリック運転士試験(ク) の 10門
第2問
電気機器の故障の原因、電気計器の使用方法に関し、次のうち誤っているものはどれか。
電動機が起動した後、回転数が上がらない場合の原因の一つとして、電源の電圧降下が大きいことがあげられる。
電動機が振動する場合の原因の一つとして、締付けボルトに緩みがあることがあげられる。
電磁ブレーキの利きが悪い場合の原因の一つとして、コイルが断線していることがあげられる。
交流用の電圧計や電流計は、一般に電圧又は電流の最大値ではなく、実効値で目盛られている。
回路計(テスター)は、直流電圧、交流電圧、直流電流などを、スイッチを切り替えることによって計測できる計器である。
クレーン・デリック運転士試験(ク) の 10門
第3問
クレーンを用いて作業を行うときの合図、立入禁止の措置又は搭乗の制限に関し、法令上、誤っているものは次のうちどれか。
動力下降以外の方法によって荷を下降させるときは、つり荷の下に労働者を立ち入らせてはならない。
クレーン運転者と玉掛け作業者に作業を行わせるときは、運転について合図を行う者を指名しなければならない。
クレーン運転者に単独で作業を行わせるときであっても、運転について一定の合図を定めなければならない。
原則として、クレーンにより、労働者を運搬し、又は労働者をつり上げて作業させてはならない。
荷に設けられたアイボルトにワイヤロープを通して玉掛けをした荷がつり上げられているとき、つり荷の下に労働者を立ち入らせることは禁止されていない。
クレーン・デリック運転士試験(ク) の 10門
第4問
クレーンの運転又は玉掛けの業務に関し、法令上、誤っているものは次のうちどれか。
クレーンの運転の業務に係る特別の教育を受けた者は、つり上げ荷重5.5tの跨線テルハの運転の業務に就くことができる。
床上運転式クレーンに限定したクレーン・デリック運転士免許を受けた者は、つり上げ荷重10tの床上運転式クレーンの運転の業務に就くことができる。
床上操作式クレーン運転技能講習を修了した者は、つり上げ荷重6tの床上運転式クレーンの運転の業務に就くことができる。
玉掛け技能講習を修了した者は、つり上げ荷重30tの無線操作式のクレーンの玉掛けの業務に就くことができる。
クレーンに限定したクレーン・デリック運転士免許を受けた者は、つり上げ荷重20tの機上で運転する方式のクレーンの運転の業務に就くことができる。
クレーン・デリック運転士試験(ク) の 10門
第5問
図のような「てこ」において、A点に力を加えて、質量60kgの荷を持ち上げるとき、これを支えるために必要な力Pは、1~5のうちどれか。ただし、重力の加速度は9.8m/s
2
とし、「てこ」及びワイヤロープの質量は考えないものとする。
147N
147kN
196N
196kN
294N
クレーン・デリック運転士試験(ク) の 10門
第6問
クレーンの製造、検査又は検査証に関し、法令上、誤っているものは次のうちどれか。
つり上げ荷重3tの橋形クレーンを製造しようとする者は、原則として、あらかじめ所轄都道府県労働局長の許可を受けなければならない。
落成検査における荷重試験は、定格荷重の1.27倍に相当する荷をつって、つり上げ、走行等の作動を行う。
つり上げ荷重5tの天井クレーンの落成検査を受ける者は、荷重試験のための荷及び玉掛用具を準備しなければならない。
所轄労働基準監督署長は、落成検査に合格したクレーン又は当該検査の必要がないと認めたクレーンについて、クレーン検査証を交付する。
クレーン検査証の有効期間は、原則として、2年である。
クレーン・デリック運転士試験(ク) の 10門
第7問
クレーンの定期自主検査又は点検に関し、法令上、誤っているものは次のうちどれか。
1年以内ごとに1回行う定期自主検査においては、つり上げ荷重に相当する荷重の荷をつって行う荷重試験を実施しなければならない。
1月以内ごとに1回行う定期自主検査においては、ブレーキの異常の有無についても、検査を行わなければならない。
作業開始前の点検においては、コントローラーの機能についても、点検を行わなければならない。
1年をこえる期間使用しないクレーンの当該使用しない期間は定期自主検査を行わなくてもよい。
定期自主検査又は作業開始前の点検を行い、異常を認めたときは、直ちに補修しなければならない。
クレーン・デリック運転士試験(ク) の 10門
第8問
クレーンのブレーキに関し、次のうち誤っているものはどれか。
電動油圧押上機ブレーキは、ばねの力で制動を行い、油圧によって押上げ力を得て制動力を解除するもので、ドラム形電磁ブレーキに比べて制動するまでの時間が長い。
電磁ディスクブレーキは、電磁石に電流を通じて制動力を解除するもので、ホイストの巻上装置に用いられる。
足踏み油圧式ディスクブレーキは、天井クレーンの走行用やジブクレーンの旋回用に用いられる。
電磁バンドブレーキは、バンドが鋳鉄製で、外側にブレーキライニングが取り付けられており、電流を絶つとおもりによってバンドがドラムを締め付けて制動する。
ドラム形電磁ブレーキは、ブレーキライニングとドラムのすき間の調整が不適正な場合には、ブレーキドラムの過熱の原因となる。
クレーン・デリック運転士試験(ク) の 10門
第9問
電動機の速度制御方式に関し、次のうち誤っているものはどれか。
巻線形三相誘導電動機は、二次抵抗制御のみでは巻上げの速度制御を行うことはできないが、巻下げの速度制御を行うことはできる。
巻線形三相誘導電動機の電動油圧押上機ブレーキ制御は、巻下げ時の電動機の回転速度が速くなれば、電動油圧押上機ブレーキの制動力が大きく、遅くなれば、小さくなるように制御を行う。
巻線形三相誘導電動機の渦電流ブレーキ制御は、電動機に渦電流ブレーキを連結したもので、電気的なブレーキのためブレーキライニングのような消耗部分がなく、制御性も優れている。
巻線形三相誘導電動機のダイナミックブレーキ制御は、電動機の一次側を交流電源から切り離して、一次側に直流励磁を加えて速度制御を行う。
巻線形三相誘導電動機のサイリスター一次電圧制御は、電動機の回転数を検出し、指定された速度と比較しながら制御するため、きわめて安定した速度が得られる。
クレーン・デリック運転士試験(ク) の 10門
第10問
物体の運動に関し、次のうち誤っているものはどれか。
物体の運動の速い遅いの程度を示す量を速さといい、単位時間に物体が移動した距離で表す。
物体が円運動をしているとき、遠心力は、向心力(求心力)に対して、力の大きさが等しく、方向が反対である。
物体の速度が10秒間に10m/sから35m/sになったときの加速度は、25m/s
2
である。
運動している物体には、外部から力が作用しなければ永久に同一の運動を続けようとする性質がある。
運動している物体の運動の方向を変えるのに要する力は、物体の質量が大きいほど大きくなる。