1級管工事施工管理技士 の 10門
第1問
建設資材廃棄物の再資源化に関する記述のうち、「建設工事に係る資材の再資源化等に関する法律」上、誤っているものはどれか。
対象建設工事現場で用いるリースの木製コンクリート型枠は、使用後、リース会社により引き取られる場合は、建設資材廃棄物とはならない。
対象建設工事の元請業者は、当該工事に係る特定建設資材廃棄物の再資源化等が完了したときは、完了した年月日、要した費用等について発注者に報告しなければならない。
対象建設工事の発注者又は自主施工者は、工事に着手する日の 7日前までに、分別解体等の計画等について、都道府県知事に届け出なければならない。
特定建設資材が使われている建築物の解体工事で、当該解体工事に係わる部分の床面積の合計が50 m2以上の場合は、分別解体をしなければならない。
1級管工事施工管理技士 の 10門
第2問
建築物の居室に設ける中央管理方式の空気調和設備の性能に関する記述のうち、「建築基準法」上に定められている数値として、誤っているものはどれか。
浮遊粉じんの量は、空気1m3 につき0.5 mg以下とする。
一酸化炭素の含有率は、100 万分の10以下とする。
相対湿度は、40 % 以上70%以下とする。
気流は、1秒間につき0.5 m 以下とする。
1級管工事施工管理技士 の 10門
第3問
建設工事現場における安全管理に関する記述のうち、適当でないものはどれか。
安全衛生責任者は、関係請負人が行う労働者の安全のための教育に対する指導及び援助を行う措置を講じる必要がある。
安全施工サイクルとは、安全朝礼から始まり、安全ミーティング、安全巡回、工程打合せ、片付けまでの1日の活動サイクルのことである。
リスクアセスメントとは、現場に潜在する危険性又は有害性を洗い出し、それによるリスクを見積もり、その大きいものから優先してリスクを除去、低減する手法である。
一つの荷物で重量が100 kg以上のものを、貨物自動車に積む作業又は貨物自動車から卸す作業を行うときは、当該作業を指揮する者を定める必要がある。
1級管工事施工管理技士 の 10門
第4問
排煙設備に関する記述のうち、適当でないものはどれか。ただし、本設備は「建築基準法」上の「階及び全館避難安全検証法」及び「特殊な構造」によらないものとする。
排煙たてダクトの風量は、最遠の階から順次比較し、各階ごとの排煙風量のうち、最も大きい風量とする。
同一防煙区画に複数の排煙口を設ける場合、排煙口の1つを開放することで他の排煙口を同時に開放する連動機構付きとした。
同一防煙区画において、自然排煙と機械排煙を併用した。
排煙口が防煙区画部分の床面積の1/50以上の開口面積を有し、かつ、直接外気に接する場合は、排煙機は不要である。
1級管工事施工管理技士 の 10門
第5問
蒸気圧縮冷凍機の冷凍サイクルをモリエ線図上に示すと次の図のようになる。この図に関する記述のうち、適当でないものはどれか。
過程1→2は、蒸発器における変化であり、蒸発器の蒸発温度が低くなると冷凍効果は大きくなる。
過程2→3は、圧縮機における変化であり、近似的に等エントロピー変化である。
過程3→4は、凝縮器における変化であり、凝縮器の凝縮温度が低くなると冷凍効果は大きくなる。
過程4→1は、膨張弁における変化であり、近似的に等エンタルピー変化である。
1級管工事施工管理技士 の 10門
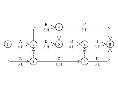
第6問
図に示すネットワーク工程表に関する記述のうち、適当でないものはどれか。
クリティカルパスは、1→2→3→4→6→7である。
作業B の最遅完了時刻は、12 日である。
作業E のトータルフロートは2日、フリーフロートは0日である。
作業F の所要時間を2日短縮すると、工期も2日短縮できる。
1級管工事施工管理技士 の 10門
第7問
不活性ガス消火設備に関する記述のうち、「消防法」上、誤っているものはどれか。
駐車の用に供される部分及び通信機器室であって常時人がいない部分には、全域放出方式としなければならない。
防護区画が2以上あり、貯蔵容器を共用するときは、防護区画ごとに選択弁を設けなければならない。
非常電源は、当該設備を有効に1時間作動できる容量以上としなければならない。
手動式の起動装置は、2以下の防護区画ごとに設けなければならない。
1級管工事施工管理技士 の 10門
第8問
工事の申請・届出書類と提出先の組合せとして、適当でないものはどれか。
道路法の道路占用許可申請書 ―― 道路管理者
労働安全衛生法の小型ボイラー設置報告書 ―― 労働基準監督署長
騒音規制法の特定施設設置届出書 ―― 都道府県知事
消防法の指定数量以上の危険物貯蔵所設置許可申請書 ―― 市町村長又は都道府県知事
1級管工事施工管理技士 の 10門
第9問
変風量単一ダクト方式に関する記述のうち、適当でないものはどれか。
低負荷時にも、必要外気量が確保されるようにする必要がある。
定風量単一ダクト方式に比べ、室の間仕切り変更や負荷変動への対応が容易である。
定風量単一ダクト方式に比べ、負荷変動に対して応答が遅い。
省エネルギー効果を高めるため、給気ダクトの圧力検出器は、できるだけ端末に取り付けた方がよい。
1級管工事施工管理技士 の 10門
第10問
通気管に関する記述のうち、適当でないものはどれか。ただし、通気管内の空気が屋内に漏れることを防止する装置(通気弁)が設けられていないものとする。
通気立て管の下部は、管径を縮小せずに、最低位の排水横枝管より低い位置で排水立て管に接続するか、又は排水横主管に接続しなければならない。
通気管の管径は、通気管の長さと、排水管の管径及び受け持つ器具排水負荷単位数の合計により求めた。
通気管の末端は、隣接建物の窓等の開口部の頂部より少なくとも600 mm以上立ち上げることができなければ、それらの開口部より水平に3m 以上離すことができればよい。
物干場に使用される屋上に設ける通気管は、その末端を屋上面から600 mm 立ち上げた。